test

M4-22P4Z Inch Size Slewing Rings
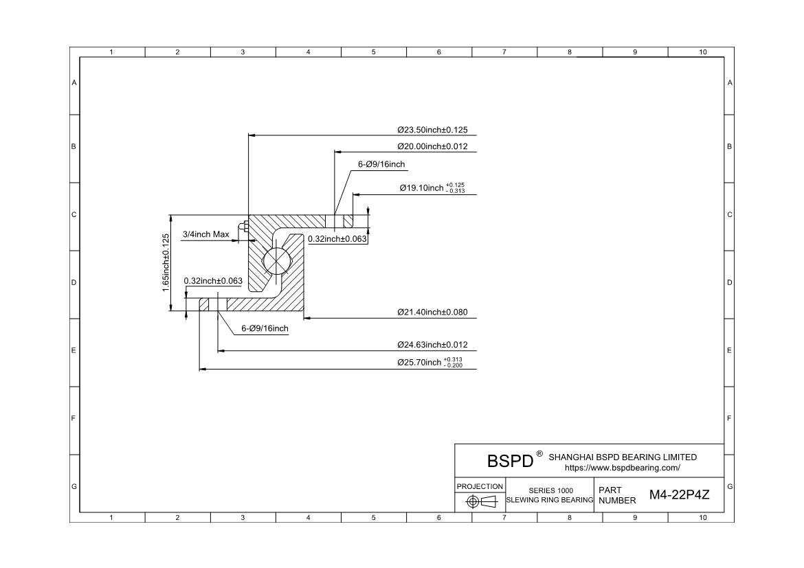
Dimensions: Bore (Inner) Diameter: 19.1"; Outer Diameter: 25.7"; Width (Thickness): 1.65";

M4-22P4Z
REQUEST FOR QUOTE
* *
Send
Product Attributes
Specifications
Part Number M4-22P4Z
Thrust Fifht Wheel 3300
Weight(lbs) 44
Outline Dimensions(inches)
OD 25.7
ID 19.1
IO 23.5
OI 21.4
HT 1.65
A 0.32
Mounting Holes
OBC 24.63
IBC 20
DIA 9/16
Holes Per Race 6
M4-22P4Z
Print PDF
Request a 3D CAD Model if you need special bearings - design custom bearings
What are the types of Slewing Bearings M4-22P4Z ? Inch Size Slewing Rings Manufacturing Service . Get Your Free, Instant price, design review, stock and delivery time.
Min.Order Quantity:Negotiation
Price:Negotiation
  • Fast Delivery     √
  • Best Quality       √
  • Good Price        √

The 10 Best-selling Slewing Bearings of the Month

REQUEST FOR QUOTE
* *
Send